Skip to content
digit chain
Search for:
Search
Search
Home
Pages
Digital manufacturing
Diy cnc machine
Shop
digit chain
Search for:
Search
Search
Home
Pages
Digital manufacturing
Diy cnc machine
Shop
Sign up
Sign up
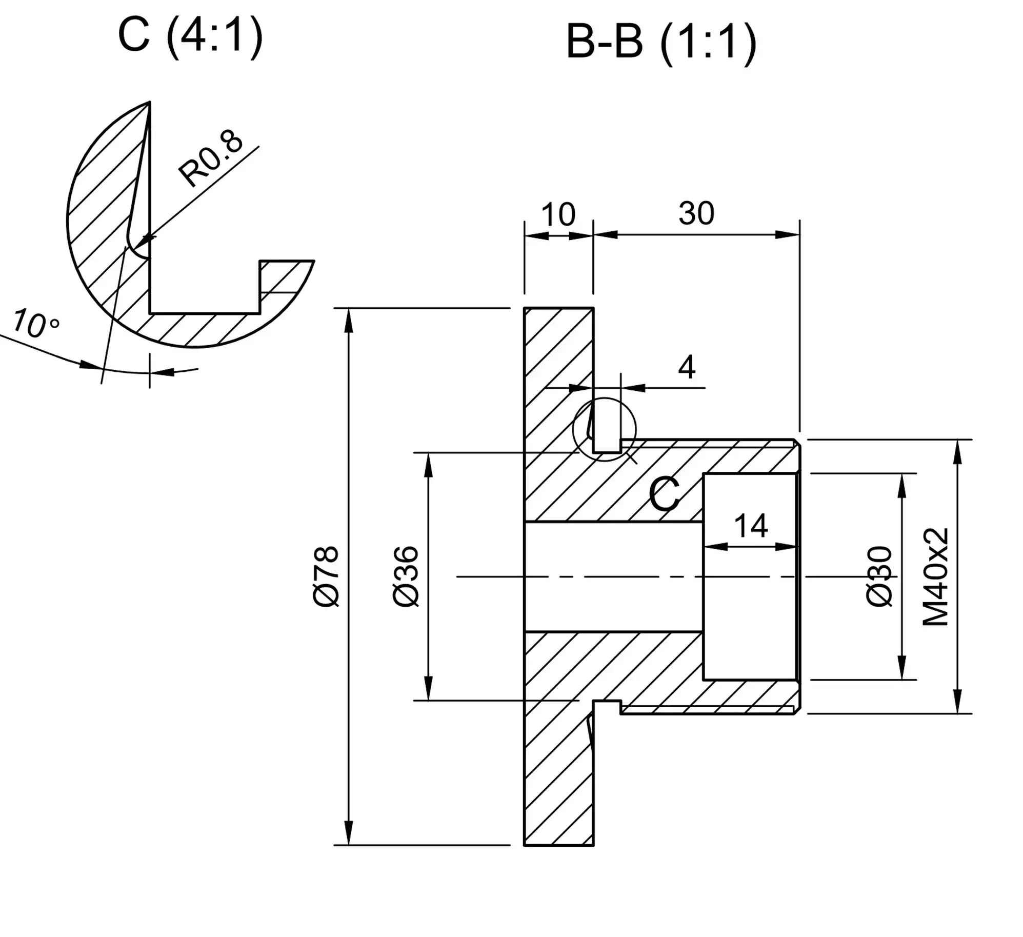
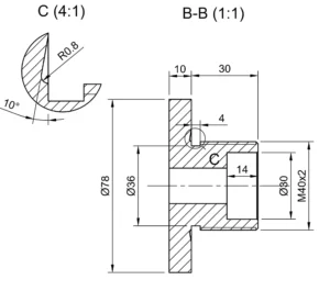
TRCN03 DESSIN
By
chw
/
05/02/2025
TRCN03 drawing
Previous
TRCN03 DESSIN
Scroll to Top
Go to mobile version